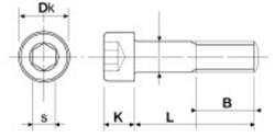
Binnenzeskant CK UNC 12.9