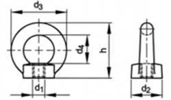
Borgmoeren Din 582 C15 ELVZ