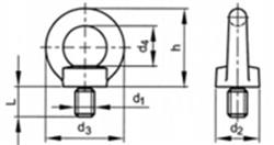
Oogbouten Din 580 C15 ZW