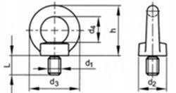
Oogbouten Din 582 UNC C15 ZW