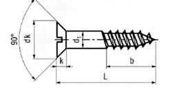
Houtschroeven PK Din 97 messing