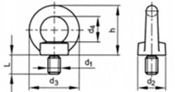
Lifting eye bolts, D 580 C15E zinc plated