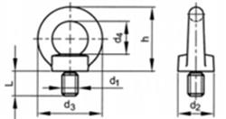
Oogbouten BSW ZW