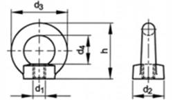
Oogmoeren BSW